〖
磁粉制动器
〗
磁粉制动器
磁粉制动器(CZ-型机座式磁粉制动器)
磁粉制动器(CZF-型法兰式磁粉制动器)
磁粉制动器(CZK-型空心轴法兰式磁粉制动器)
磁粉制动器(CZS型双出轴、机座式)
磁粉制动器(CZW型单出轴、微型磁粉制动器)
磁粉制动器(CZKX-型空心轴外壳旋转式磁粉制动器)
磁粉制动器(CZS双出轴机座式磁粉制动器)
〖
磁粉离合器
〗
磁粉离合器
磁粉离合器(CJKF法兰输入、空心轴输出止口支撑同侧式、磁粉离合器
磁粉离合器(CJ-型机座式磁粉离合器)
磁粉离合器(CJS-型机座式水冷磁粉离合器)
磁粉离合器(CJF-型法兰式磁粉离合器)
磁粉离合器(CJKX-型空心轴支撑、输出、外壳旋转式磁粉离合器)
〖
张力控制系统
〗
恒张力控制系统
ZC-3型张力张力传感器
wly-2.3.5AX型手动张力控制器(稳流电源)
PSN功率放大器
〖
光电纠偏系统
〗
光电纠偏系统
GD型光电纠偏控制系统
CC型转矩转速功率采集系统
〖
气胀轴
〗
〖
安全卡盘
〗
〖
其它
〗
其它产品
常见故障处理
配转矩、转速、功率效率测量系统
电涡流加载测功机
磁粉离合器(CJS-型机座式水冷磁粉离合器)
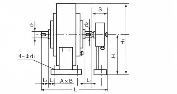
CJS-型机座式水冷磁粉离合器:
型号
技术术参数
安装尺寸
额定转矩N.M
激磁电流A
允许滑差功率W
冷却方式
磁粉量g
d(H6)
H
H1
L
L1
L2
L3
A
B
b
d
S
CJS-10
100
2.5
3000
单水冷
160
30
170
314
225
65
55
60
110
255
8
11
90
CJS-20
200
2.5
4000
单水冷
350
35
200
400
238
60
65
57
120
285
12
13
90
CJS-40
400
3
5000
单水冷
400
45
220
418
280
95
95
14
220
300
14
13
120
CJS-50
500
3
5500
单水冷
450
45
220
418
280
95
95
14
220
300
14
13
120
CJS-80
800
3
8500
单水冷
500
60
280
530
560
90
65
220
430
18
13
120
CJS-120
1200
3
12000
单水冷
550
65
300
560
400
80
65
90
220
430
18
13
120
版权归 海安县宏福磁粉制动器厂 所有
地址:江苏省海安县曲塘镇东工业园区 电话:0513-88600959 88604459 传真:0513-88608616
手机:13706278009,13506278155 联系人:丁宏福 E-mail:hfcf@hahfcf.cn
磁粉
磁粉制动器
磁粉离合器